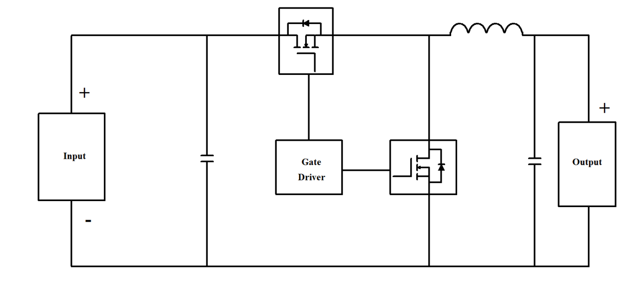
转换器将电瓶的电压转换成适合电动车上用电器(喇叭、仪表、车灯等)的工作电压。转换器使用的通常为非隔离式降压方案。由于转换器工作在相对密闭的环境中,发热对系统稳定性至关重要,从而对转换器能效有着很高要求,整个系统运行中,功率器件本身的低损耗尤为关键。
N-channel Trench MOSFET :VDS 100V~120V RDS(on) max10 mΩ~30mΩ
N-channel SGT MOSFET :VDS 100V~120V RDS(on) max8 mΩ~30mΩ